重锤式液控止回蝶阀主要安装于水电站水轮机进口,用作水轮机进口阀;或安装于水利、电力、给排水等各类泵站的水泵出口,代替止回阀和闸阀的作用。工作时,该阀与管道主机配合,按照水力过渡过程原理,通过预设的启闭程序,实现管路的可靠截止,有效消除管路水锤,起到保护管路系统安全的作用。该阀门适用于水、海水、油品及其他非腐蚀性的流体介质,可在泵的出口或管路中起止回和截止功能用。
结构特点
1、可取代水泵出口截止阀和止回阀,并集机、电、液于一体,占地面积小。
2、自动化程度高,可就地、远程及联动控制。
3、电气系统可采用PLC智能控制系统,也可以采用普通型继电器式系统。
4、液压系统电机功率小,工作效率高,保压性能好,油泵启动间隔时间长。
5、液压系统具有自动保压功能,保压时间长,油泵启动间隔可到500小时。
6、有明显的开度指示和机械限位调节机构,行程开关装置防水防尘设计,不外露,性能稳定,使用寿命长。
7、电气操作界面人性化、多样化,可设计普通按钮式、文本式、触摸屏式,也可根据客户的需要,设计人机操作界面。
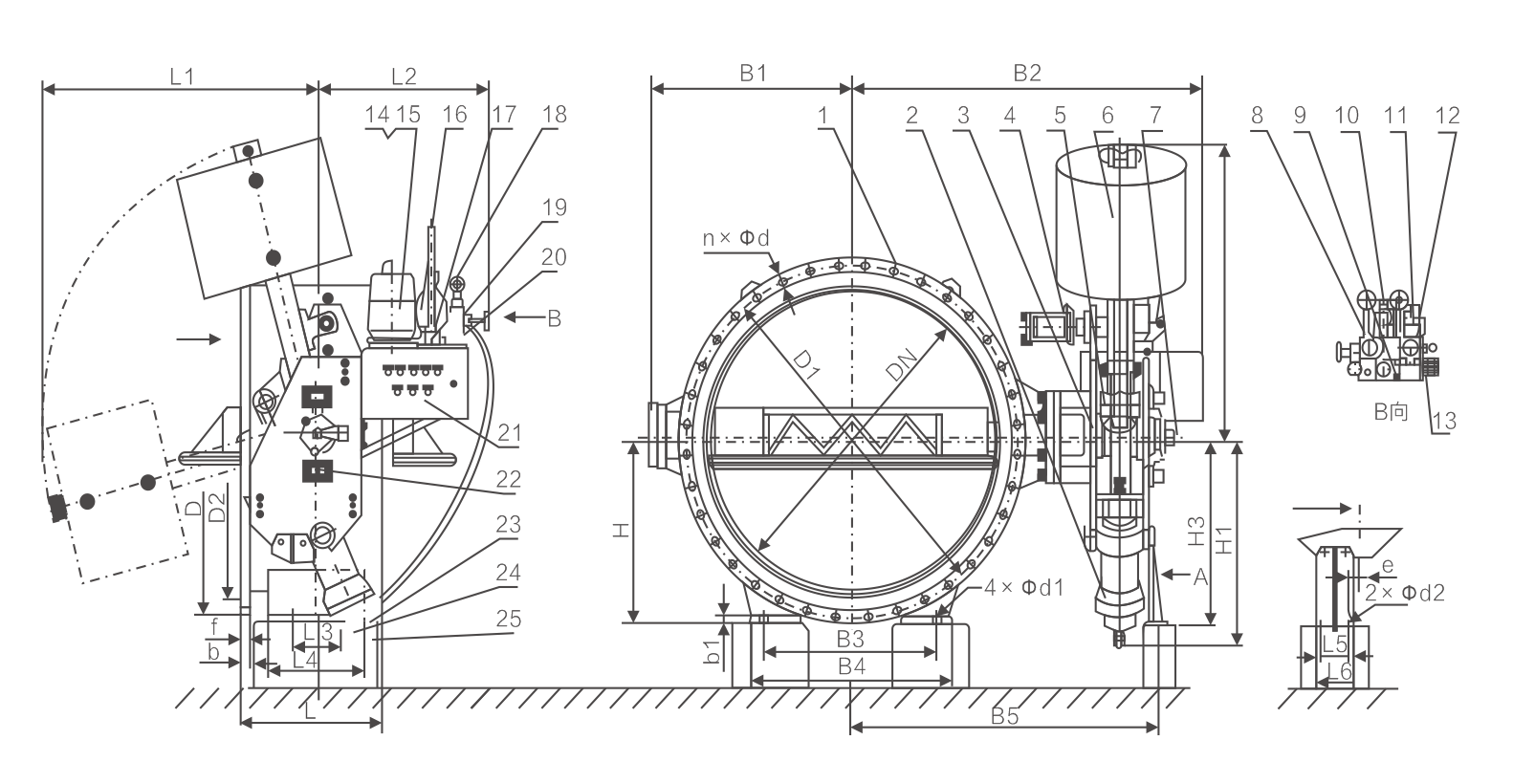
主要外形及连接尺寸(PN0.6MPa)
|
公称通径(mm) |
L |
D |
D1 |
D2 |
b |
f |
n |
d |
L1 |
L2 |
L3 |
L4 |
L5 |
L6 |
H |
H1 |
H2 |
H3 |
|
1200 |
630 |
1405 |
1340 |
1295 |
28 |
5 |
32 |
34 |
1450 |
860 |
200 |
360 |
160 |
220 |
810 |
935 |
1350 |
685 |
|
1300 |
710 |
1520 |
1450 |
1405 |
32 |
5 |
32 |
37 |
1510 |
870 |
260 |
400 |
160 |
220 |
860 |
1065 |
1475 |
820 |
|
1400 |
710 |
1630 |
1560 |
1510 |
32 |
5 |
36 |
37 |
1765 |
870 |
260 |
400 |
160 |
220 |
940 |
1065 |
1475 |
820 |
|
1500 |
790 |
1730 |
1660 |
1610 |
34 |
5 |
36 |
37 |
1765 |
870 |
260 |
400 |
160 |
220 |
1000 |
1065 |
1475 |
820 |
|
1600 |
790 |
1830 |
1760 |
1710 |
34 |
5 |
40 |
37 |
1765 |
870 |
270 |
400 |
160 |
220 |
1080 |
1075 |
1720 |
820 |
|
1750 |
870 |
1995 |
1920 |
1868 |
36 |
5 |
44 |
40 |
1960 |
870 |
270 |
500 |
160 |
220 |
1130 |
1075 |
1720 |
820 |
|
1800 |
870 |
2045 |
1970 |
1918 |
36 |
5 |
44 |
40 |
1960 |
870 |
270 |
500 |
160 |
220 |
1130 |
1075 |
1720 |
820 |
|
2000 |
950 |
2265 |
2180 |
2125 |
38 |
5 |
48 |
43 |
2060 |
910 |
360 |
560 |
200 |
280 |
1250 |
1180 |
1990 |
910 |
|
2200 |
1000 |
2475 |
2390 |
2335 |
42 |
6 |
52 |
48 |
2060 |
910 |
360 |
600 |
200 |
280 |
1320 |
1180 |
1990 |
910 |
|
2400 |
1000 |
2685 |
2600 |
2545 |
44 |
6 |
56 |
48 |
2150 |
910 |
400 |
600 |
200 |
280 |
1440 |
1250 |
2080 |
980 |
|
2600 |
1000 |
2905 |
2810 |
2750 |
46 |
6 |
60 |
49 |
2150 |
910 |
500 |
700 |
200 |
280 |
1520 |
1250 |
2080 |
980 |
|
2800 |
1000 |
3115 |
3020 |
2960 |
48 |
6 |
64 |
49 |
2050 |
910 |
600 |
750 |
200 |
280 |
1620 |
1180 |
1990 |
1050 |
|
3000 |
1000 |
3315 |
3220 |
3160 |
50 |
6 |
68 |
49 |
2050 |
950 |
600 |
800 |
200 |
280 |
1720 |
1180 |
1990 |
1050 |
|
3200 |
1200 |
3525 |
3430 |
3370 |
54 |
6 |
72 |
49 |
2150 |
950 |
700 |
900 |
200 |
280 |
1820 |
1250 |
2080 |
1180 |
|
3400 |
1200 |
3735 |
3640 |
3580 |
56 |
6 |
76 |
49 |
2150 |
950 |
750 |
1000 |
200 |
280 |
1920 |
1250 |
2080 |
1180 |
|
3500 |
1200 |
3920 |
3780 |
3685 |
70 |
6 |
78 |
49 |
2150 |
950 |
750 |
1000 |
200 |
280 |
1980 |
1250 |
2080 |
1180 |
随着经济高速发展,市场竞争越来越激烈,用户对阀门产品的要求也越来越多,并且对服务的要求也越来越高;我司销售部门为适应市场发展的要求,专业设立了服务培训组,为服务质量添加完善的工作,我司的售前、售中、售后服务工作经由专业的销售员来完成。
一、冠环阀门售前服务:
做到技术与销售的良好结合,让用户的每一次采购都有较好的服务体验。
①进行采购前产品技术沟通和交流,主动给予建议。
②在进行产品型号选择时考虑是否成本合理工矿效率等问题。
③不能达到工矿要求时,根据客户的特殊要求,安排设计师合理改善。
二、冠环阀门售中服务:
尊重每位用户;给用户一份省心,放心的整体价值服务。
①进行性价比:比价格,比质量,比服务,反思是否有不做到位的地方。
②严格按相关标准和技术要求进行阀门的检测和试验。
③在合作过程中,依照合同,保质保量准时交货,随时保持与用户联系。
④定制期间,相关技术人员可来我司进行产品监造和检验,同时,我司会提供该产品的结构图及详细文件资料,来做监造文件。
⑤对特殊工矿或定做的产品,可协商专业技术员亲临现场指导。
⑥我公司在发货前以电话进行产品型号、口径、数量、件数的确认。
三、冠环阀门售后服务:
好的服务铸就好的企业让客户无后顾之忧。
①按合同要求提供产品的合格证、检验报告、安装说明书等。
②顾客在验收产品过程中,如出现与合同要求不符时,我司接到顾客通知后两小时内给予处理。
③我司提供十二个月的产品质保期,时间从验收合格之日起计算。
④在正确安装和使用下,出现产品质量问题,本公司将负责到底。
冠环阀门包修包换承诺:
①在正常的储运、安装、保养、使用条件下,因产品的质量问题不能正常使用时,提供三保四包: 保质、保量、保及时、包修、包换、包退、包损失。
②在接到质量信息反馈时,将在24小时内提出处理意见,并做到100小时内赶到现场做处理。
③可根据用户需求协商提供备品、备件和安装、调试、维修服务。
为了让您采购到满意的阀门,减少阀门订购过程出现的问题,也是提高我们工作人员的工作效率。我们希望您提供详尽的订货需求,以便我们为您提高更周到的服务!
阀门订货说明:
1、①产品名称与型号,②公称直径,③阀体材质,④公称压力,⑤使用介质,⑥使用温度,⑦驱动方式,⑧是否带附件,以便我们的为您正确选型。
2、如有特殊要求时请在订购产品时注明。
3、若已经由设计单位选定的型号,请按型号直接向我司销售部订购。
4、当使用的场合非常重要或环境比较复杂时,请您尽量提供设计图。
欢迎您访问我们的网站,如有任何疑问,您可以致电给我们,我们一定会尽心尽力为您提供高品质的服务,详细咨询:15000098987。

我要咨询



















021-67895388
shghfmc@163.com
93862333