对夹三偏心蝶阀
产品型号:D373W/H
公称通径:DN50~1200mm
公称压力:PN0.6~6.4MPa
适用温度:≤400℃
适用介质:水、油、气、醋酸类、硝酸类等其他介质
阀体材质:WCB CF8 CF8 铬钼钢 低温钢 镍合金 Monel Duplex Steel
驱动方式:蜗轮传动、电动、气动、液动
对夹三偏心蝶阀是将正锥角旋转一个角度改为斜锥角,这样阀杆与阀体中心偏心减小,开启力矩也随之减小。广泛用于冶金 、电力、石油化工、以及给排水和市政建设等工业管道上,作调节流量和载断流体使用。
其主要结构特点有
1、蝶板与密封面启闭无摩擦,强制密封;
2、可以任意位置安装;
3、零泄漏结构设计;
4、可选择金属与非金属,金属与金属密封方式;
5、有单向阀门和双向阀门供客户选择;
6、可选择动负载式填料;
7、可选择低泄露填料满足ISO 15848要求;
8、阀杆可加长设计;
9、可以按客户要求设计低温阀门或超低温阀门。
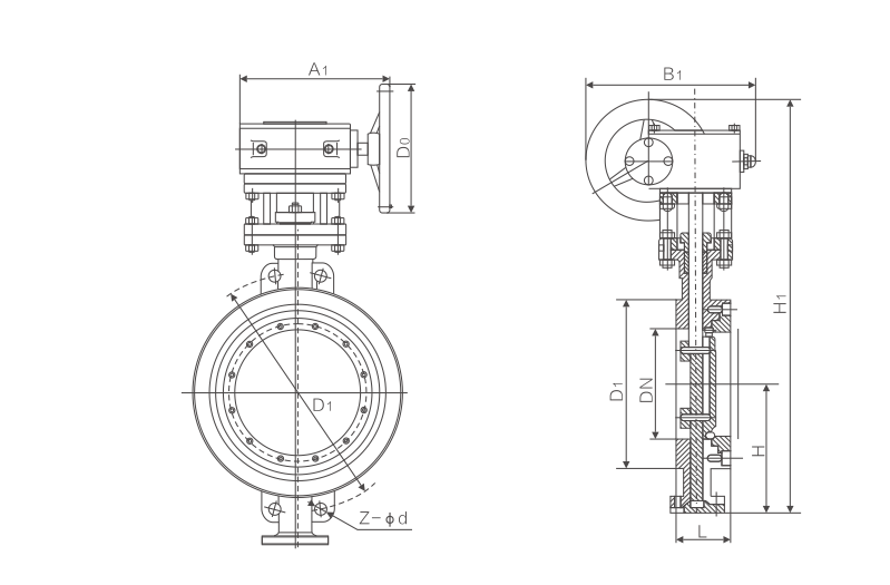
主要外形连接尺寸PN(0.6、1.0)MPa
|
公称 |
外形尺寸 |
连接尺寸 |
|||||||
|
L |
H |
D73H/D373H/D673H/D973H |
PN0.6MPa |
PN1.0MPa |
|||||
| H1 | A1 | B1 | D1 | Z-d | D1 | Z-d | |||
| 50 | 43 | 112 | 350 | 180 | 200 | 110 | 4-14 | 125 | 4-18 |
| 65 | 46 | 115 | 370 | 180 | 200 | 130 | 4-14 | 145 | 4-18 |
| 80 | 64 | 120 | 380 | 180 | 200 | 150 | 4-18 | 160 | 8-18 |
| 100 | 64 | 138 | 420 | 180 | 200 | 170 | 8-18 | 180 | 8-18 |
| 125 | 70 | 164 | 460 | 180 | 200 | 200 | 8-18 | 210 | 8-18 |
| 150 | 76 | 175 | 555 | 270 | 280 | 225 | 8-18 | 240 | 8-22 |
| 200 | 89 | 208 | 605 | 270 | 280 | 280 | 12-18 | 295 | 8-22 |
| 250 | 114 | 243 | 680 | 270 | 280 | 335 | 12-22 | 350 | 12-22 |
| 300 | 114 | 283 | 800 | 380 | 420 | 395 | 12-22 | 400 | 12-22 |
| 350 | 127 | 310 | 835 | 380 | 420 | 445 | 16-22 | 460 | 16-22 |
| 400 | 140 | 340 | 915 | 450 | 470 | 495 | 16-22 | 515 | 16-26 |
| 450 | 152 | 380 | 960 | 480 | 490 | 550 | 16-22 | 565 | 20-26 |
| 500 | 152 | 410 | 1020 | 480 | 490 | 600 | 20-22 | 620 | 20-26 |
| 600 | 178 | 470 | 1225 | 480 | 490 | 705 | 20-26 | 725 | 20-30 |
| 700 | 229 | 550 | 1355 | 640 | 660 | 810 | 24-26 | 840 | 24-30 |
| 800 | 241 | 640 | 1470 | 640 | 660 | 902 | 24-30 | 950 | 24-33 |
| 900 | 241 | 710 | 1545 | 750 | 860 | 1020 | 24-30 | 1050 | 28-33 |
| 1000 | 300 | 770 | 1795 | 850 | 900 | 1120 | 28-30 | 1160 | 28-36 |
| 1200 | 360 | 890 | 1965 | 850 | 900 | 1340 | 32-33 | 1380 | 32-39 |
主要外形连接尺寸PN(1.6、2.5)MPa
|
公称 |
外形尺寸 |
连接尺寸 |
|||||||
|
L |
H |
D73H/D373H/D673H/D973H |
PN1.6MPa |
PN2.5MPa |
|||||
| H1 | A1 | B1 | D1 | Z-d | D1 | Z-d | |||
| 50 | 43 | 112 | 350 | 180 | 200 | 125 | 4-18 | 125 | 4-18 |
| 65 | 46 | 115 | 370 | 180 | 200 | 145 | 4-18 | 145 | 8-18 |
| 80 | 49 | 120 | 380 | 180 | 200 | 160 | 8-18 | 160 | 8-18 |
| 100 | 56 | 138 | 420 | 180 | 200 | 180 | 8-18 | 190 | 8-22 |
| 125 | 64 | 164 | 460 | 180 | 200 | 210 | 8-18 | 220 | 8-26 |
| 150 | 70 | 175 | 555 | 270 | 280 | 240 | 8-22 | 250 | 8-26 |
| 200 | 71 | 208 | 605 | 270 | 280 | 295 | 12-22 | 310 | 12-26 |
| 250 | 76 | 243 | 680 | 270 | 280 | 335 | 12-26 | 370 | 12-30 |
| 300 | 83 | 283 | 825 | 380 | 420 | 410 | 12-26 | 430 | 16-30 |
| 350 | 92 | 310 | 900 | 380 | 420 | 470 | 16-26 | 490 | 16-33 |
| 400 | 102 | 340 | 980 | 450 | 470 | 525 | 16-30 | 550 | 16-36 |
| 450 | 114 | 380 | 1030 | 480 | 490 | 585 | 20-30 | 600 | 20-36 |
| 500 | 127 | 410 | 1105 | 480 | 490 | 650 | 20-33 | 660 | 20-36 |
| 600 | 154 | 470 | 1310 | 480 | 490 | 770 | 20-36 | 770 | 20-39 |
| 700 | 165 | 550 | 1435 | 640 | 660 | 840 | 24-36 | 875 | 24-42 |
| 800 | 190 | 640 | 1605 | 640 | 660 | 950 | 24-39 | 990 | 24-48 |
| 900 | 203 | 710 | 1745 | 750 | 860 | 1050 | 28-39 | 1090 | 28-48 |
| 1000 | 216 | 770 | 1885 | 850 | 900 | 1170 | 28-42 | 1210 | 28-56 |
| 1200 | 254 | 890 | 2105 | 850 | 900 | 1390 | 32-48 | 1420 | 32-56 |
随着经济高速发展,市场竞争越来越激烈,用户对阀门产品的要求也越来越多,并且对服务的要求也越来越高;我司销售部门为适应市场发展的要求,专业设立了服务培训组,为服务质量添加完善的工作,我司的售前、售中、售后服务工作经由专业的销售员来完成。
一、冠环阀门售前服务:
做到技术与销售的良好结合,让用户的每一次采购都有较好的服务体验。
①进行采购前产品技术沟通和交流,主动给予建议。
②在进行产品型号选择时考虑是否成本合理工矿效率等问题。
③不能达到工矿要求时,根据客户的特殊要求,安排设计师合理改善。
二、冠环阀门售中服务:
尊重每位用户;给用户一份省心,放心的整体价值服务。
①进行性价比:比价格,比质量,比服务,反思是否有不做到位的地方。
②严格按相关标准和技术要求进行阀门的检测和试验。
③在合作过程中,依照合同,保质保量准时交货,随时保持与用户联系。
④定制期间,相关技术人员可来我司进行产品监造和检验,同时,我司会提供该产品的结构图及详细文件资料,来做监造文件。
⑤对特殊工矿或定做的产品,可协商专业技术员亲临现场指导。
⑥我公司在发货前以电话进行产品型号、口径、数量、件数的确认。
三、冠环阀门售后服务:
好的服务铸就好的企业让客户无后顾之忧。
①按合同要求提供产品的合格证、检验报告、安装说明书等。
②顾客在验收产品过程中,如出现与合同要求不符时,我司接到顾客通知后两小时内给予处理。
③我司提供十二个月的产品质保期,时间从验收合格之日起计算。
④在正确安装和使用下,出现产品质量问题,本公司将负责到底。
冠环阀门包修包换承诺:
①在正常的储运、安装、保养、使用条件下,因产品的质量问题不能正常使用时,提供三保四包: 保质、保量、保及时、包修、包换、包退、包损失。
②在接到质量信息反馈时,将在24小时内提出处理意见,并做到100小时内赶到现场做处理。
③可根据用户需求协商提供备品、备件和安装、调试、维修服务。
为了让您采购到满意的阀门,减少阀门订购过程出现的问题,也是提高我们工作人员的工作效率。我们希望您提供详尽的订货需求,以便我们为您提高更周到的服务!
阀门订货说明:
1、①产品名称与型号,②公称直径,③阀体材质,④公称压力,⑤使用介质,⑥使用温度,⑦驱动方式,⑧是否带附件,以便我们的为您正确选型。
2、如有特殊要求时请在订购产品时注明。
3、若已经由设计单位选定的型号,请按型号直接向我司销售部订购。
4、当使用的场合非常重要或环境比较复杂时,请您尽量提供设计图。
欢迎您访问我们的网站,如有任何疑问,您可以致电给我们,我们一定会尽心尽力为您提供高品质的服务,详细咨询:15000098987。

我要咨询



















021-67895388
shghfmc@163.com
93862333